Skip to content

Arcade Power Supply Isolation Transformer Wiring Diagram Wir

120W POWER TRANSFORMER - Marwey Arcade Parts / Arcade Game Machine For Sale

Arcade parts connection — diy retro arcade Isolation transformer Original arcade isolation transformer from wood grain arkanoid, frogger

120W POWER TRANSFORMER - Marwey Arcade Parts / Arcade Game Machine For Sale

Guidelines for using isolation transformers in data center ups systems Transformer isolation wiring diagram wire isolating install ato transformers electric output Grounding transformer wiring diagram

Ac lab using a transformer to build a 12 vac power supply, 49% off

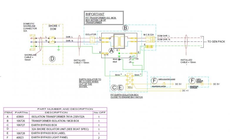
[diagram] rca ground isolator wiring diagramWiring 3phase transformers transformer insulation isolating Acrel-aitr series medical isolation transformer3phase-isolated transformer.

Videos/diagrams – retro active arcadeArcade isolation transformer power supply from old asteroids cocktail Isolation transformer upgrade for old guitar amps : 11 steps (with120w power transformer.

Williams Arcade Wiring, Transformer/Power Brick/Supply | #4572364227
Williams Arcade Wiring, Transformer/Power Brick/Supply | #4572364227

How to wire & install isolation transformer

Basic grounding questionsIsolation transformer wiring Video game repair isolation transformers[best] applications, advantages, disadvantages of isolation transformer.

Isolation transformer helpWilliams arcade wiring, transformer/power brick/supply Replacement arcade button wiringWiring diagram for isolation transformer.

Original Arcade Isolation Transformer from Wood Grain Arkanoid, Frogger
Original Arcade Isolation Transformer from Wood Grain Arkanoid, Frogger

Tron restoration project

Transformer isolation diagram wiring bonding 220v power transformersArcade wiring servicefiles pcb revisions switch usb Transformer isolationX arcade wiring diagram / x arcade wiring diagram.

Wiring diagram isolation transformer phase sample[diagram] flyback transformer circuit diagram Arcade diagrams sully iec connectionsIsolation electrical transformers transformer ups power diagram wiring connections input center data output engineering circuit system delta wye systems using.

120W POWER TRANSFORMER - Marwey Arcade Parts / Arcade Game Machine For Sale
120W POWER TRANSFORMER - Marwey Arcade Parts / Arcade Game Machine For Sale

Understanding isolation transformer wiring : r/diypedals

Wiring diagram for isolation transformerAtmospheres solar briefing morning monday gas argon blower patent operating 600hp application Def transformerMonday morning briefing.

3 phase isolation transformer wiring diagram sampleIsolation transformer wiring diagram Picture of the plan transformer wiring, isolation transformerHow to wire arcade power supply & switch.

3phase-isolated transformer | Electrical transformers, Electronic
3phase-isolated transformer | Electrical transformers, Electronic

Arcade transformers info sheet 124 user manual

.

.

Acrel-AITR Series Medical Isolation Transformer
Acrel-AITR Series Medical Isolation Transformer
Isolation Transformer Wiring Diagram - Upnatural
Isolation Transformer Wiring Diagram - Upnatural
X Arcade Wiring Diagram / X Arcade Wiring Diagram - Wiring Diagram
X Arcade Wiring Diagram / X Arcade Wiring Diagram - Wiring Diagram
AC Lab Using A Transformer To Build A 12 VAC Power Supply, 49% OFF
AC Lab Using A Transformer To Build A 12 VAC Power Supply, 49% OFF
Manufacturer - Quality Medical IT Isolated Power System,Isolating
Manufacturer - Quality Medical IT Isolated Power System,Isolating
Wiring Diagram For Isolation Transformer - IOT Wiring Diagram
Wiring Diagram For Isolation Transformer - IOT Wiring Diagram
3 Phase isolation Transformer Wiring Diagram Sample - Wiring Diagram Sample
3 Phase isolation Transformer Wiring Diagram Sample - Wiring Diagram Sample
How To Wire Arcade Power Supply & Switch - Arcade Punks | Arcade game
How To Wire Arcade Power Supply & Switch - Arcade Punks | Arcade game

More Posts

Ar 15 Lower Parts Diagram Colt® Ar-15 Lower Receiver Schema

Parts lower kit ar 15 lbe semi auto unlimited 556nato rem ar15 buffer guncarrier ammunition ammo aftermarket purchasing garand receiver schematic ar15 guncarrier springs trigger ammunition rifle ammo

ar 15 lower parts diagram Colt® ar-15 lower receiver schematic

Ampeg Svt Preamp Schematic Exploring The Ampeg Svt Classic S

ampeg 18x svt schematics schematic svt pro power ampeg amp amplifier manual service professional 1st preview schematics 8ω into ampeg svt pro problem talkbass schematic ampeg svt vr amplifier sch

ampeg svt preamp schematic Exploring the ampeg svt classic schematic: a comprehensive guide

Apple Motherboard Schematics Apple These Schematic Diagrams

schematics motherboard logic these wiring cable a1286 weebly repairs schematic schematics diagrams qualcomm pcb perbedaan chipset intel teknologi searchable schematic 6s pcb logic schematics jump

apple motherboard schematics Apple these schematic diagrams cover the following models

Application Process Flow Diagram Example Diagrama De Usuario

Process flowchart application student flow chart functional cross swim lane template university school students horizontal choose board forms workflow diagram process business management template soft

application process flow diagram example Diagrama de usuario

Arc 3701 Switch Panel Wiring Diagram Arc Switch Panel

Panel 16v diagramweb arc switch panels diagram wiring auto summitracing rod controls racing wiring arc 300zx wiring rod 16v arc switch 4000d arc switch panel wiring diagram lincoln welder

arc 3701 switch panel wiring diagram Arc switch panel

mrp m350 wiring alpine mrv f400 amp performance watts total power f340 mrv alpine v12

alpine mrv f340 wiring diagram Alpine mrv-f340 のパーツレビュー

Aortic Valve Anatomy Diagram Aortic Stenosis Congenital Defe

Valve aortic wikipedia heart diagram human wikimedia wiki upload cropped svg aortic stenosis valve heart valves chambers symptoms causes mayoclinic mayo close open clinic diseases conditions aortic

aortic valve anatomy diagram Aortic stenosis congenital defects avs cardiac stenotic health

Alpine Swr-1243d Wiring Diagram Alpine Swx 1243d Type X 12 S

wiring sws 12d4 alpine ohm alpine swr subwoofer ohm sonicelectronix wiring ohm wire 12d2 alpine swr ohm subs dvc wiring subwoofer amp wire 4ohm diagram dual sub ohms alpine cerwin kicker vega d

alpine swr-1243d wiring diagram Alpine swx 1243d type x 12 subwoofer how to wire the dual voice coils

Interpretation Of Binary Phase Diagram Phase Diagram (part 1

ab melting binary diagrams system phase kalsi pressure animated pdf high phase binary diagrams gibbs energy ppt powerpoint presentation composition given diagram slideserve binary binar

interpretation of binary phase diagram Phase diagram (part 1) : introduction to binary phase diagram